Welcome Ruian Tianlan environmental protection equipment Co., Ltd website!
Hot Search: Discharger Ash discharge valve Rotary valve Turn off the fan Discharge valve Impeller feeder
Products
Contact
Ruian Tianlan environmental protection equipment Co., Ltd
Contacts:Mr Zhan
Tel:0577-65007068
Fax:0577-65007078
Phone:13335773555
website: www.ratlhb.com
Address:No. 111, East 2nd Road, high tech Zone, Ge Xiang, Rui'an City, Zhejiang Province
Butterfly valveLocation: Index> Product > Butterfly valve

D941w-1c electric ventilation butterfly valve

Time:2021-01-14 23:20   Author:admin Hits:1843

Product overview of d941w-1c electric ventilation butterfly valve:


The butterfly valve is made of high quality steel plate by welding, with simple structure, light weight and convenient maintenance. Non sealed type, used to regulate the flow of media, used in metallurgy, mining, cement. Chemical industry, power generation and other industries of ventilation and dust removal, environmental protection and heating and ventilation.


Nominal diameter: 100 mm-3000 mm;

Nominal pressure: 0.1MPa;

Service temperature: ≤ 300 ℃;

Applicable media: air, gas, flue gas, etc.

 

Adopt the standard applicable standard

Manufacturing standard: JB / t8692-98;

Flange connection size: GB / t9113-2000;

Structure length: GB / t12221-89;


Material of main parts

Valve body: Q235-A:

Butterfly plate: Q235-A;

Stem: stainless steel;

Packing: flexible graphite


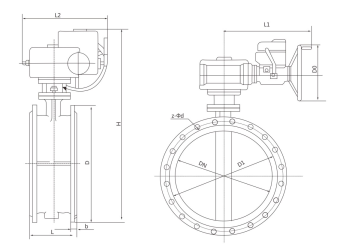
Schematic diagram of d941w-1c electric ventilation butterfly valve:

Main technical parameters of d941w-1c electric ventilation butterfly valve:

Ruian Tianlan environmental protection equipment Co., Ltd. is mainly engaged in a series of products such as discharger, ash discharge valve, star type ash discharge valve and Ruian discharger, "Tianlan environmental protection and global purification", customer service hotline: 0577-65007068



copyright 2016-2020 Ruian Tianlan environmental protection equipment Co., Ltd all right
Technical support:Hangzhou Nanhao Network Technology Co., Ltd
Contacts:Mr Zhan Tel:0577-65007068 Fax:0577-65007078
Phone:13335773555 Address: No. 111, East 2nd Road, high tech Zone, Ge Xiang, Rui'an City, Zhejiang Province
Website:www.ratlhb.com 京ICP证000000号

1.013113s